Water

CE Sea Blue
EC Sea Blue
CE
Reach
RoHS
RoHS
API Certificate

Hot Water

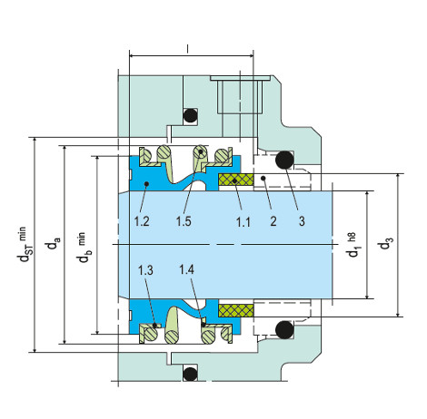
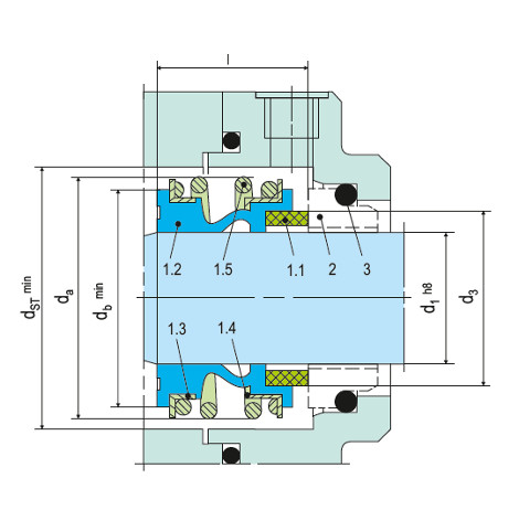
Seal Type: B740F

Media Hot Water
Vg 10 m/s
Temperature 1600 C
Pressure 25 Bar

Hot Water Pumps

Hot Water is conveyed by pumps for a variety of purposes in thermal energy generating systems, district heating systems, home heating systems and so on. The suitability of a mechanical seal for such applications depends on many different parameters, e.g. pressure to be sealed, temperature at the seal, sliding velocity, power consumption, water quality (pH-value, O2-dose, conductivity, operating mode), water additives such as corrosion inhibitors etc.

Desalinization Of Sea Water

Desalination can be defined as any process which removes excess salts and minerals from water, or the chemical process of changing seawater into potable water. These processes may be employed for municipal, industrial or any commercial practices.

Seal Type: SBHV1 with API 610, Plan 31

Media Sea Water
Vg 25 m/s
Temperature NA
Pressure 50 Bar

Non-Clogging Pump

A non-clog pump generally refers to pumps with a 100% recessed impeller or specially designed open rotor. This design allows the passing of solid objects equal to the width of the discharge of the pump.

Seal Type: BR

Media Waste Incineration Plant
RPM 1500
Temperature 900 C
Pressure 5 Bar

Waste Water

Municipal and Industrial sewage is conveyed by waste water pumps into collection tanks at the sewage works. Sewage works pumps are usually operated with single seals in either a dead-end arrangement (conical) seal chamber or with product circulation or external flushing (cylindrical seal chamber). While standard seals are in many cases adequate for applications involving the supply of fresh water or conveyance of waste water, special engineering solutions are a necessity where heavy-duty applications in the spheres of drinking water supply or seawater desalination plants are concerned. On the other hand, thermal energy provision requires individual account to be taken of parameters such as pressure, temperature, sliding velocity, friction, water quality and additives. Their high quality ensures that Sealmatic seals significantly boost the availability of pumps in all types of water-related applications.

Raw Sludge Pump

A pump which is employed to process and transfer waste fluids with high solid content is known as raw sludge pump. This is similar to slurry pumps, mud pumps, and other types of waste water pumps. Sludge pump requires a high-powered mechanism to move fluids that are extremely heavy and sometimes viscous and full of volatile or corrosive content. They are commonly employed in municipal sewage treatment applications, as well as in mining, construction, agriculture, or industrial applications in which heavy waste fluids are processed.

Seal Type: BJ977GN

Media Raw Sludge
Vg 7 m/s
Temperature 150 C
Pressure 3 Bar

Waste water

Municipal and Industrial sewage is conveyed by waste water pumps into collection tanks at the sewage works. Sewage works pumps are usually operated with single seals in either a dead-end arrangement (conical) seal chamber or with product circulation or external flushing (cylindrical seal chamber). While standard seals are in many cases adequate for applications involving the supply of fresh water or conveyance of waste water, special engineering solutions are a necessity where heavy-duty applications in the spheres of drinking water supply or seawater desalination plants are concerned. On the other hand, thermal energy provision requires individual account to be taken of parameters such as pressure, temperature, sliding velocity, friction, water quality and additives. Their high quality ensures that Sealmatic seals significantly boost the availability of pumps in all types of water-related applications.

Sewage Block Pump

Sewage pumps transport sewage and untreated waste water (e.g., raw waste water). They are most commonly employed in municipal waste water treatment plants, and also in buildings and private homes. In contrast, a sewage pump is also referred to as sewage ejector pump or sewage grinder pump, which are designed to remove not just water but also waste and other materials.

Seal Type: UG100 in tandem

Media Contaminated Sewage
RPM 2900
Temperature 200 C
Pressure 3 Bar

Waste Water

Municipal and Industrial sewage is conveyed by waste water pumps into collection tanks at the sewage works. Sewage works pumps are usually operated with single seals in either a dead-end arrangement (conical) seal chamber or with product circulation or external flushing (cylindrical seal chamber). While standard seals are in many cases adequate for applications involving the supply of fresh water or conveyance of waste water, special engineering solutions are a necessity where heavy-duty applications in the spheres of drinking water supply or seawater desalination plants are concerned. On the other hand, thermal energy provision requires individual account to be taken of parameters such as pressure, temperature, sliding velocity, friction, water quality and additives. Their high quality ensures that Sealmatic seals significantly boost the availability of pumps in all types of water-related applications.

Submersible Agitator

Submersible agitator or mixer is an equipment that is basically employed to mix sludge tanks and other liquid volumes, they are often employed in sewage treatment plants to keep solids in suspension, in the various process tanks and/or sludge holding tanks.

Seal Type: UG100

Media Sewage
RPM 2900
Temperature 300 C
Pressure 3 Bar

Waste Water

Municipal and Industrial sewage is conveyed by waste water pumps into collection tanks at the sewage works. Sewage works pumps are usually operated with single seals in either a dead-end arrangement (conical) seal chamber or with product circulation or external flushing (cylindrical seal chamber). While standard seals are in many cases adequate for applications involving the supply of fresh water or conveyance of waste water, special engineering solutions are a necessity where heavy-duty applications in the spheres of drinking water supply or seawater desalination plants are concerned. On the other hand, thermal energy provision requires individual account to be taken of parameters such as pressure, temperature, sliding velocity, friction, water quality and additives. Their high quality ensures that Sealmatic seals significantly boost the availability of pumps in all types of water-related applications.

Submersible Pump

Submersible pump is a device which has a sealed motor closely coupled to the pump body. Submersible pump pushes fluid to the surface, which creates a vacuum and rely upon atmospheric pressure.

Seal Type: UG100

Media Industrial Sewage
RPM 2950
Temperature 200 C
Pressure 4 Bar

Waste Water

Municipal and Industrial sewage is conveyed by waste water pumps into collection tanks at the sewage works. Sewage works pumps are usually operated with single seals in either a dead-end arrangement (conical) seal chamber or with product circulation or external flushing (cylindrical seal chamber). While standard seals are in many cases adequate for applications involving the supply of fresh water or conveyance of waste water, special engineering solutions are a necessity where heavy-duty applications in the spheres of drinking water supply or seawater desalination plants are concerned. On the other hand, thermal energy provision requires individual account to be taken of parameters such as pressure, temperature, sliding velocity, friction, water quality and additives. Their high quality ensures that Sealmatic seals significantly boost the availability of pumps in all types of water-related applications.